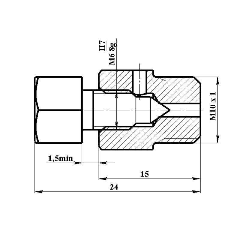
Воздухоотводчик ВО - 1.0 предназначен для отвода воздуха из систем водяного отопления при рабочем давлении теплоносителя до 1.0 МПа и температуре до 432К (150 °С).
| Параметр | Значение | ||||||
|---|---|---|---|---|---|---|---|
| Артикул | ZW90001 | ZW90002 | |||||
| Присоединительная резьба | М10х1 | G1/2-B | |||||
| Рабочее давление клапана, МПа, не более | 1.0 | ||||||
| Масса, кг, не более | 0.045 | 0.019 | |||||
| Температура рабочей среды, t °С | до +150 | ||||||